1. 首頁
  2. 新聞資訊
  3. 詳細

消防車手輪式渦輪方球閥_消防車DN65|DN80手輪球閥(WCB和不銹鋼材質)-消防車配件


消防車手輪式渦輪方球閥

消防車手輪式渦輪方球閥廠家直銷電話:

159-7276-7978

產品特點
產品簡介:

Q341F蝸輪法蘭球閥可分為浮動蝸輪傳動球閥和固定蝸輪傳動球閥兩大類。浮動蝸輪傳動球閥的特點是球體可以自由浮動。根據密封座結構不同又分為固定密封座和帶活動密封座兩種。固定密封閥座的浮動蝸輪傳動球閥,結構如圖所示,在閥體內裝有兩個氟塑制成的固定密封閥座,在兩間座之間夾緊一個由碳鋼或不銹鋼制成的浮動球,球體上有圓形通孔,開后時,通道打開;當閥桿轉動時,球孔垂直于閥門的通道,靠介質的壓力將球體緊壓在后面的閥座上,保證閥門的密封。

消防車手輪式渦輪方球閥

工作原理:
Q341F蝸輪法蘭球閥一般使用在中大口徑尺寸的管道上,蝸輪傳動是在原有的球閥閥桿上接止齒輪箱,只需用旋轉很小的轉動力矩就能實現開關。蝸輪傳動旋轉90°即可全關全開,啟閉迅速。
產品特點:
1、蝸輪法蘭球閥只需要用旋轉90度的操作和很小的轉動力矩就能關閉嚴密。
2、完全平等的閥體內腔為介質提供了阻力很小、直通的流道。
3、蝸輪法蘭球閥它具有節流和控制流量之用。

4、蝸輪法蘭球閥的主要特點是本身結構緊湊,易于操作和維修,適用于水、溶劑、酸和天然氣等一般工作介質。

消防車手輪式渦輪方球閥

產品參數說明

主要零件材料:

主要零件材料

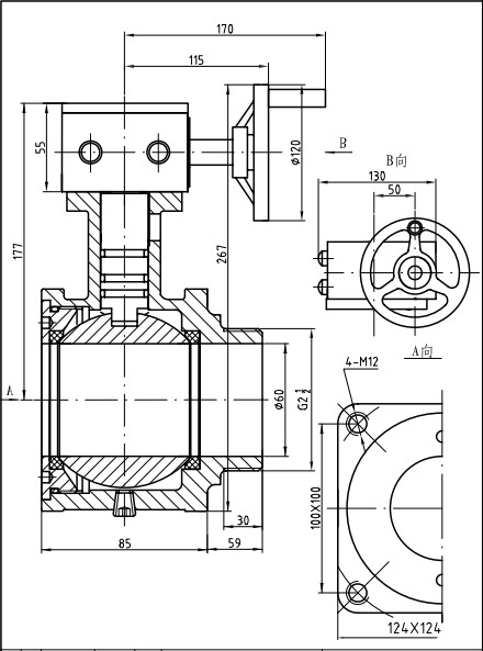
規格尺寸圖:

規格尺寸圖

規格尺寸圖

技術規范:

技術規范

消防車手輪式渦輪方球閥廠家直銷電話:

159-7276-7978


推薦產品

免費電話 聯系我們 最新配置資料獲取