盈通灑水車操作說明書_縱昂牌灑水車使用說明書

湖北盈通專用汽車有限公司始建于2014年3月28日,是一家專業從事各類專用 汽車研發、銷售的企業。公司位于湖北省隨州市,生產地址:湖北省隨州市高新 區五星路、隨州市曾都區編鐘大道15號。公司占地面積12000m2,公司現有員工 398人。其中專業技術人員7人。
公司致力于環境清潔與治理、道路清掃與維護、各類垃圾收集、轉運與處理 以及畜禽轉運等系列車型的研發、生產與銷售。
公司主要產品有:綠化噴灑車、多功能抑塵車、吸污/吸糞車、高壓清洗車、 聯合疏通車、洗掃車、壓縮式垃圾車、飼料運輸車、活禽轉運車、防撞車等。
公司擁有獨立的產品研發中心、并與全國知名高校及科研機構建立了良好的 戰略合作關系。
二、前言
我公司生產的灑水車采用國內外優質二類底盤改裝而成,它適用于 各種路面灑水、噴霧、降溫、除塵、沖洗塵埃臟物,亦可用于路面的灑水、 噴霧、降溫、除塵、沖洗塵埃臟物,亦可用于路面養護、園林綠化及應急消 防、運輸飲水等。該灑水車主要由汽車底盤、罐體、水泵、球閥和輸水管 道、灑水裝置等部件組成。水泵、取力箱、球閥均為國家定型產品,性能 良好,工作可靠,灑水時壓力高、流量大、油耗低,灑水時打開音樂喇叭開 關,美好的音樂伴隨您愉快地工作。
三、目錄
1、概述.........................................1
2、工作原理及結構簡介..................1
3、操作規程..................................4
4、故障及排除方法........................7
5、灑水車的保養...........................7
6、售后服務..................................7
7、隨車附件明細...........................8
湖北盈通專用汽車有限公司系列灑水車使用說明書
一、概述公司主要生產的灑水車為縱昂牌(CLT XXXX GSS EQ 6)系列產品,集多功能為一體、性能 可靠、操作簡便、外形美觀等優點,深得客戶的信賴。
型號說明:
1、灑水車結構簡圖

圖2-1灑水車結構簡圖
2、汽車底盤此灑水車釆用東風公司及一汽汽車集團定型二類底盤改裝而成。每個產品所釆用的二類 底盤,其結構詳見所附《汽車底盤使用說明書》0
3、罐體
灑水車罐體結構,罐體為橢圓形或方形,用鋼板制成,整車罐體水倉為2-3室,中間隔板 下端有通孔,倉內隔板具有防波作用。以減低汽車行駛時罐內液體的沖擊。外表涂防銹漆及 裝飾漆。

圖2-2水罐體
(1)封頭(2)上護欄(3)罐口 (4)爬梯(5)吊耳(6)支撐(7)副梁(8)筒體(9)炮筒(10)防波隔板(11)量管
為了防止銹蝕,罐體外表涂防銹及裝飾漆;罐體前端裝有液位顯示器,在往罐內加水或向外輸水時,可直接指示出罐內液位高度。
4、罐口組件
(1)手柄
(2)蓋子
(3)罐口頸板
(4)合頁

圖2-3罐口
罐口組件:蓋子由合頁與罐口頸板連接在一起,在合頁安裝位置的另一端安裝蓋子鎖緊手 柄,當用力向下壓手柄時,蓋子會與罐口頸板固定,因而蓋子鎖緊;當需要打開蓋子時,只需要 輕輕向上提起手柄,蓋子則可打開。5、取力器
與各車型相匹配的專用取力器,氣動操作或手動操作,操作開關向后拉,取力器進入嚙合 位置,通過傳動軸帶動水泵工作,開關向前回位,水泵即停止工作。
6、水泵
自吸式離心泵系列灑水車專用泵。該水泵主要由泵體、葉輪、機械密封、軸、增速箱等部件 組成。泵工作時需要的動力直接由汽車發動機通過取力器提供。
7、球閥
本車采用的閥門為球型閥門,結構。
球閥由閥體調整座、密封環、球、閥桿手柄等部分組成,搬轉手柄90。即可實現球閥的開 關,球閥配合松緊可旋轉調整以達到要求。該灑水車裝有050不銹鋼球閥7只,供調節灑水 之用。中50鋁合金球閥一只,圖中4以控制抽水或灑水,其抽水時打開,灑水時關閉。<D65mm 消防球閥一只,可連接消防帶供應緊急滅火之用。
(1)手柄
(2)O型密封圈
(3)閥桿
(4)球閥
(5)O型密封圈
(6)密封圈
(7)調整座
(8)閥體

圖2-5球閥
8、噴水器本車前裝有鴨嘴形噴嘴或圓頭沖嘴,后面裝有圓柱形灑水泥,側噴花灑蓮花頭。車后部裝 有高壓噴槍。噴水器一般用于沖洗街道,起除塵和降溫作用,其噴水器可以用調節噴嘴螺紋的 方法改變噴水器的噴灑方向和角度,高壓噴槍可以用于城鄉及應急消防車的作用。蓮蓬噴嘴 可以澆落路中間噴水器沖起的灰塵,起到清潔空氣的作用。
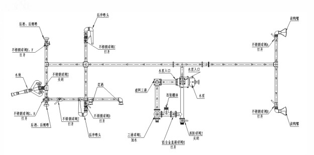
9、管道布置簡圖:
圖2-6管道布置簡圖
10、配件清單表 2-1:
以上配置為常規配置,客戶對產品有特殊要求的可更改配置。
三、操作規程1、使用前的準備工作
(1)檢査變速箱內潤滑油油面,以到油面螺塞孔的下緣為準,不足時添加齒輪油。
(2)檢査變速箱操縱桿,使之處于空檔位置,檢査取力箱操縱手柄位置,使之為水平向右 位置,使之為水平向右位置,檢査油門控制器,使其為最小0
2、水泵及取力器的操作
(1)啟動 聯接好相關管道,啟動發動機,當原車壓力表讀數達到6個大氣壓時,踏離合 踏板,打開取力箱操縱開關,慢慢松離合(過快會損壞取力器和變速箱),使之掛擋。通過油門 控制器,可控制水泵的工作轉速。
(2)停止 將油門控制器推進,調整為最小,踏離合器踏板,將取力器操縱開關扳回至原位置,使取力箱脫檔。
3、使用后的檢查
(1)檢査取力器操縱開關是否回位,檢査油門控制器是否為最小位置。
(2)檢査閥門手柄位置,均為關閉狀態。
4、各作業操縱使用說明
(1)向罐內加水
將車開到預訂位置,使水罐口對準自來水管口打開罐口蓋、自來水即可加水。
當在野外自采水的情況下,水能通過水泵給罐內供水,其操作程序是:在三通球閥G處接 一膠管,調節三通球閥G到如圖位置(注意:三通球閥凹坑所對方向關閉),關閉不銹鋼球閥 A、B、C、D、E、F和消防栓I,打開鋁合金球閥H,踏下離合,打開取力器開關,慢慢松開離合(千 萬不可過快,否則將會損壞取力器或變速箱),使水泵開始工作,即可向罐內加水,停止工作后 開關回位。
工作水路示意:水經過三通球閥G、過濾網、泵、鋁合金球閥H、水罐。(其中A、B、C、D、E、F、H關閉)。
圖3-1 -1水泵加水
圖3-1-2消防栓加水
工作水路示意:水經過消防栓開關I、鋁合金球閥H、水罐。(其中A、B、C、D、E、F、G、H關 閉)。(2)灑水、澆灌花木
在灑水和澆灌花木時,其操作程序是:調節三通球閥G到如圖位置(注意:三通球閥凹坑 所對方向關閉),關閉鋁合金球閥H和消防栓I,打開不銹鋼球閥A、B、C、D、E,打開鋁合金球 閥H,踏下離合,打開取力器開關,慢慢松開離合(千萬不可過快,否則將會損壞取力器或變速 箱),使水泵開始工作,即可向實現灑水和澆灌花木的功能,停止工作后開關回位。
工作水路示意:水經過罐體出口、三通球閥G、過濾網、泵、前沖后灑和花撒。(其中HJ關 閉)。

圖3-2灑水、澆灌花木
(3)應急消防在應急消防時,其操作程序是:調節三通球閥G到如圖位置(注意:三通球閥凹坑所對方 向關閉),關閉不銹鋼球閥A、B、C、D、E和鋁合金球閥H,打開消防栓I和不銹鋼球閥F,踏下離合,打開取力器開關,慢慢松開離合(千萬不可過快,否則將會損壞取力器或變速箱),使水 泵開始工作,即可通過灑水炮和消防栓出口應急消防,停止工作后開關回位。
工作水路示意:水經過水罐出口、三通球閥G、過濾網、泵、消防栓和灑水炮。(其中A、B、 C、D、E、H 關閉)。
圖3-3應急消防
做活動泵站時,其操作程序是:在三通球閥G處接一膠管,調節三通球閥G到如圖位置 (注意:三通球閥凹坑所對方向關閉),關閉不銹鋼球閥A、B、C、D、E、F和鋁合金球閥H,打開 消防栓I,接出口管。踏下離合,打開取力器開關,慢慢松開離合(千萬不可過快,否則將會損 壞取力器或變速箱),使水泵開始工作,即可實現活動泵站的功能,停止工作后開關回位。
工作水路示意:水經過三通球閥G、過濾網、泵、消防栓I。(其中A、B、C、D、E、F、H關 閉)。

圖3-4活動泵站
四、故障及排除方法(表3-1)
1、根據涂料的使用要求,新產品使用前,應將灌內注滿水浸泡五天后放凈,再用水沖洗涂 層表面,然后再用水沖洗涂層表面,然后再注滿水靜觀兩天后,將水放掉即可盛裝飲用水了。
2、經常檢查水路系統的聯接件,開關及吸水膠管等部件部位的密封情況,如發現滲漏應即 恢復或更換密封件。
3、經常檢查水罐、泵架、支架的固定情況,所有螺母應旋緊,保證聯接緊固可靠。
4、經常檢查取力器與水泵的聯接情況,應聯接可靠,運轉正常,使用中若發現取力器和水 泵漏油,應更換密封件。
5、整車水路系統無防凍裝置,因此嚴寒地區,氣溫零攝氏度以下使用后,應立即將水泵、水 罐及水路系統中的積水全部放凈,注意水泵放水螺塞放水后應關閉嚴密,確保密封,否則將影 響水泵吸水。
6、罐體上的油漆不得粘上汽油和煤油,因為這樣會使油漆加速損壞。按期檢查罐體上的 油漆質量,當油漆損壞時,就及時補漆,以防罐體產生銹蝕。
7、汽車底盤和發動機部分的使用與保養詳見載貨汽車使用說明書。
8、球閥通過的介質不宜過�,以免傷害密封環,降低環閥使用壽命,各球閥不宜長期處于 半開狀態下工作,否則易使密封環變形。
9、進泵濾網應經常拆洗,以防渣滓堵塞濾網,影響流量。
10、由于罐體與汽車大梁之間墊有木膠墊,水罐載重后各U型螺栓由于木膠的變形會發 生松動,因此在車重載后,必須定期擰緊U形螺栓,尤其是新車使用時必須做到這點。
六、售后服務
1、當您需要咨詢或維修時,請與我公司售后服務部聯系,并將購車憑證妥善保管,以確認
該車在保修期內。
2、底盤車的售后服務工作由底盤車廠家負責;本公司僅對車輛的專用改裝部分實行“三 包”,在使用過程中,無論何時何地出現故障或問題,請來電、來函聯系,我們將及時給予處理, 在接到信息24小時內給予明確答復。
3、新車應按規定進行走合保養,方可享受“三包”
(1)三包內容及期限:
a、車輛自購車之日起(以購車發票為準)一年和行駛里程3000公里以內(兩個條件需同 時具備)可享受“三包”;
b、車輛自售出之日起十日內整車實行全包(以售后服務卡所填寫的日期為準),即所有零 部件因制造質量造成零部件損壞或不能滿足整機使用性能要求的,我廠實行“三包”;
c、“三包”期內確因質量原因造成故障,我公司實行包修;
d、“三包”期內總成件出現質量問題,經公司和配套單位及維修服務網點連續兩次以上修 理(指同一故障)仍達不到技術性能而無法使用,該總成或部件予以更換。
(2)以下各項不屬于“三包”范圍:
a、不按本車規定,未進行強制性走合期保養的車輛;
b、非正常使用和自行改變車輛結構所造成故障的車輛;
c、交通肇事車輛(含無證駕駛、違章肇事車輛);
d、未經公司同意,自行拆裝或調整不當造成故障的車輛;
e、未經公司同意擅自將總成或部件拆卸成零件,且無法辯認產地和無法確認責任及原因 分析的車輛;
f、未經公司同意或鑒定自行處理的事故車輛;
g、因調整不當或未進行檢查調整而使用造成故障的車輛;
h、低值易耗、易損件(如電器、玻璃、橡膠、塑料制品件等);各類標件、軸承。
4、不屬于“三包”范圍的車輛,我公司本著對用戶負責,提供方便給予維修服務,但應適當 收取費用。
5、您對本公司該產品或其他產品的合理化建議,請向我公司售后服務部提出,以便本廠及 時采納,本公司全體員工向您表示最誠摯的謝意!
七、隨車附件明細
1、載貨汽車說明書一冊
2、汽車底盤合格證一份
3、灑水車說明書一本
4、載貨汽車保修
5、整車合格證一份
6、汽車隨車工具


